HFSS Frequency Domain - Circuit Transient Solver를 이용한 ESD 해석 사례
이수영 | 2026년 02월 06일
HFSS Frequency Domain을 이용한 Touchstone File을 Ansys Circuit에 Import하여 ESD 해석을 진행한 사례입니다.
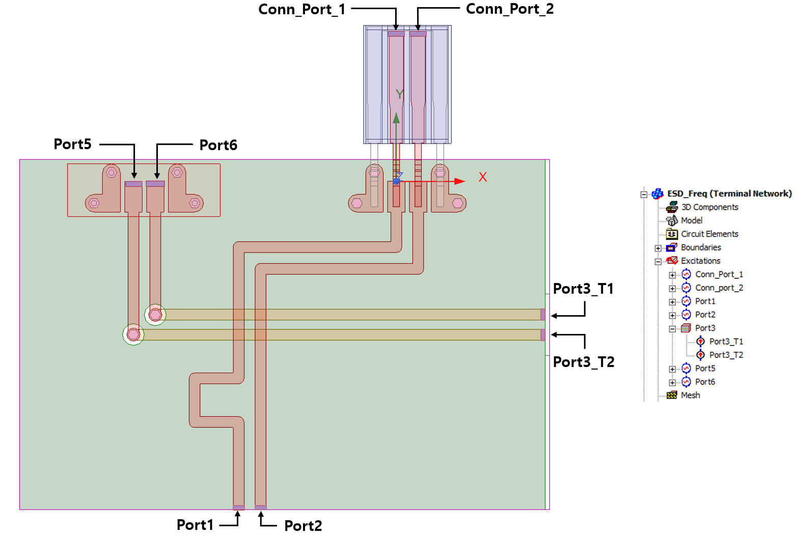
아래와 같이 Port를 설정하고 Terminal Network에서 0GHz-10GHz, 501 points로 해석을 진행합니다.

해석 완료 후 touchstone 파일을 추출하고 이를 Ansys Circuit에 import 합니다.
touchstone 파일 추출: Result - Solution Data - Export - Export Matrix Data


아래와 같이 방전 시키는 포트(Conn_Port_1의 s1_T1 터미널)에 ESD Gun의 파형을 Current Source로 넣어줍니다. 나머지 포트에는 전류를 측정하기 위해 Dynamic Current Probe를 설정합니다.

Transient Analysis를 Step 0.01ns, Stop 5ns로 설정합니다.

touchstone 파일의 Transient 해석에서 사용될 Method 변경이 필요합니다.
touchstone파일을 우클릭하여 Edit Model 창을 열어주세요.

Options 탭의 Method를 Convolution - IFFT로 변경하고 확인을 눌러 저장합니다.

모든 설정을 완료하고 해석을 진행한 후 결과를 확인합니다.
아래와 같이 각 Port에서의 전류 값을 확인할 수 있습니다.

HFSS-Transient 해석 결과와 비교하면 아래와 같습니다.
(좌) HFSS-Ansys Circuit 연동 (우) HFSS Time Domain

두 결과의 Peak값, 그래프의 개형이 유사한 것을 확인할 수 있습니다(Por2-T2 제외).
해석 Pass 수를 늘리고 time step을 줄여 둘의 정합성을 높일 수 있습니다.